Skip to Content
Coach Bus Parts

Bus Parts & Warranty
call 800-724-8454 800-724-8464
M-F 8:00 am - 4:30 pm EST

Doors - Wheelchair Door - Double Leaf Lock Switch Cover


bus part tracks -  Doors   >  Wheelchair Door
Coach & Equipment - Double Leaf Lock Switch Cover

Coach & Equipment - Double Leaf Lock Switch Cover

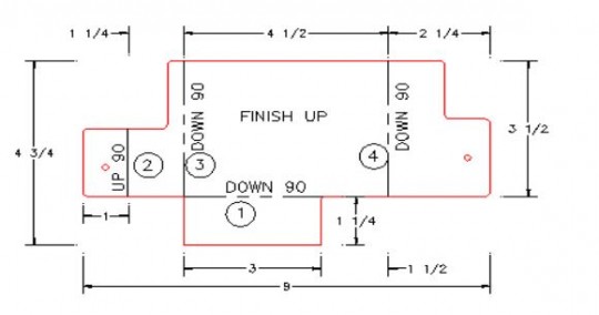
  Part Number: 211935 (2614490)

Double Leaf 3PT Lock Switch Cover for Double Leaf Wheel Chair Lift Door

Price: $56.74 PCS




FREE SHIPPING if paid by credit card online!

Coach & Equipment manufactures and supplies over 18,000 bus parts!